为您提供企业级互联芯片解决方案

2路双向具备边沿加速功能的13C/12C/SPI超低电平转换芯片
适用于13C、12C、SMBus和SPI应用电平双向转换器
A端口和B端口上的电压均为0.72V至1.98V,VCCA≤VCCB
兼容I3C、支持SDR模式高达12.5MHz的速度,同时也支持HDR模式高达25MHz的速度
工作温度:-40℃~125℃
封装:X2SON8
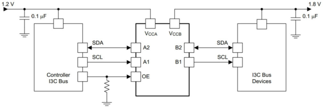
INTL3416是一款具有输出使能(0E)输入引脚以及上升和下降时间加速器的双向MIPI I3C V1.1.1、12C、SMBus和SPI电压电平转换器。该器件A侧与B侧的工作电压范围均为0.72V至1.98V,但要求VCCA须低于VCCB,才能正常运行。芯片在典型的1V、1.2V和1.8V电源轨之间进行任何高低逻辑信号电平切换。

应用框图
Copyright © 2019-2025 成都ballbet贝博微电子科技股份有限公司 版权所有 备案编号: 蜀ICP备2022009451号 川公网安备 51019002004893号

